妖精视频永久免费网址大全双电源 创造品牌影响力
妖精视频永久免费网址大全电气致力于优良的电子产品研发、生产与销售

发布时间:2019年03月28日 浏览量:1313 【返回上一页】
CB级、PC级自动转换开关定义
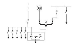
CB级——配备过电流脱扣器的ATSE,它的主触头能够接通并用于分断短路电流
WATSN系列自动转换开关若选择具有过电流脱扣器的断路器作为执行器则属于CB级自动转换开关。具备选择性的保护功能,能对下端的负荷和电缆提供短路和过载保护。其接通和分断能力远大于使用接触器和继电器等其他元器件。

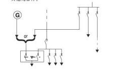
PC级——能够接通。承载。但不用于分断短路电流的ATSE
WATSN系列自动转换开关若选择不具有过电流脱扣器的负荷开关作为执行器则属于PC级自动转换开关。不具备保护功能,但其具备较高的耐受和接通能力,能够确保开关自身的安全,不因过载或短路等故障而损坏,在此情况下保证可靠地接通回路。


上一篇:妖精视频下载安装污工作原理
下一篇:妖精视频下载安装污有哪些性质?
©2019 上海妖精视频永久免费网址大全电气有限公司 版权所有 沪ICP备72327086号-1